纯水机-三达纯化水机
北京纯水设备 医疗器械纯化水 北京注射水机
纯化水制水设备:北京纯化水机 化验纯化水机 生化仪专用纯水机
首 页
关注我们
纯化水设备
注射水设备
膜分离设备
连续离交技术
实验纯水机
人才加盟
解决方案
纯化水案例
联系我们
RO纯化水设备
18兆高纯水设备
制药行业纯化水设备
微电子纯化水设备
注射用蒸馏水机
厦门纯化水设备
厦门净化车间
厦门纯化水机
热门新闻
更多
诺禾致源生物天津研究中心纯化水...
500lh 双级纯水设备方案全系统巴氏灭菌-分配系统 href="/chssb/w10297023.asp">
500lh 双级纯水设备方案全系统巴氏灭菌-分配系统
500lh 双级纯水设备方案巴氏灭菌-预处理+分配系统
500lh 双级纯水设备方案巴氏灭菌-预处理+膜+分配系统
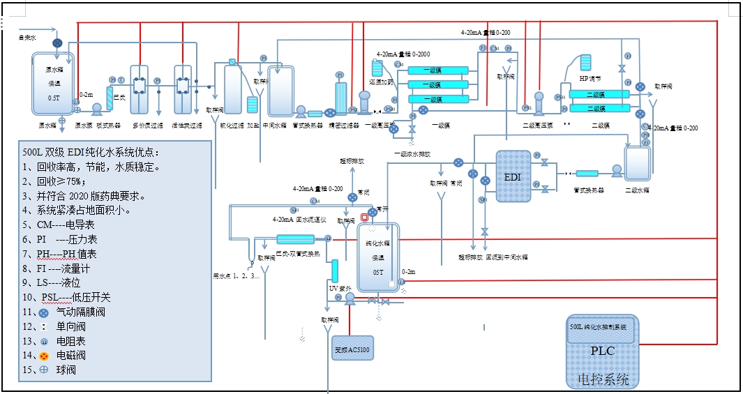
500lh 双级纯水设备方案全系统巴氏灭菌-预处理+膜+EDI+分配系统
1000lh 双级纯水设备方案全系统巴氏灭菌-预处理+膜+EDI+分配系统
1000lh 双级纯水设备方案巴氏灭菌-预处理+膜+分配系统
1000lh 双级纯水设备方案巴氏灭菌-预处理+分配系统
产品视频在线介绍
更多
三达风采
更多
注册医疗器械类纯化水系统
纯化水设备
>>
注册医疗器械类纯化水系统
500lh 双级纯水设备方案全系统巴氏灭菌-分配系统